2.54MM (0,1'') PITCH motorbehuizing
SPECIFICATION
MATERIALS (contacten): koperlegering, goud of tin (over Nickel) afwerking
MATERIALS (HOUSINGS): Standard of High Temperature Plastic, beoordeeldnaar UL94V-0
CURRENT: 3A per contact
MAXIMUM spanning: 800V AC, 500V DC
contact BESCHERMING: 30mΩmax
INSULATION BESCHERMING: 1000mΩmin
Gebruiksanwijzing TEMPERATUUR:-40℃om 105℃
DURABILITY: 300 mating cycli (goud) of 50 mating cycli (tin)
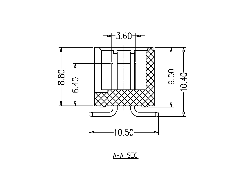
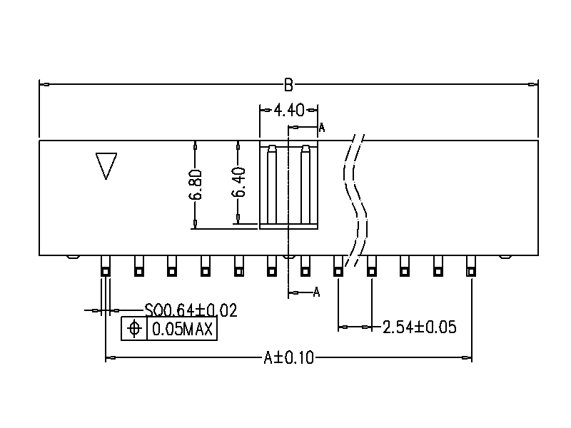
DRAWING
Wats box header?
Box Header bestaat gewoonlijk uit een vierkante plastic fitting en een aantal vierkantenaalden aangebracht keurig. Het verschil tussen Box Header connector en de hoorn connector (ook wel ejecteur motorbehuizing of ejector header) is dat het eenvoudig hoorn verwijdert de gespen aan weerszijden
Classification werper:.
according de eisen, de buitenafmetingen van de motorbehuizing connector worden vaak gebruikt in 1,27 pek, pek 2,0 en 2,54 pitch.According de afstand, de diameter van de gebruikte vierkantstift ook gewijzigd overeenkomstig.
Classification bewerking methode:
- bodem en PCB contactvlakken kan als SMT patches of DIP in-line 180 graden. Naar het aanzien, kan motorbehuizing worden verdeeld in 90 graden rechte hoek DIP Box Header, SMT Box Header, 180 graden Dip Box kop- en motorbehuizing met een verhoging blok, kan enz motorbehuizing met een verhoging blok worden onderverdeeld in DIP type en SMT soort for differencenodig
- vervaardigingswerkwijze van box header:.
every motorbehuizing wordt gemaakt door spuitgieten, stampen en assemblage. Nadat het samenstel is voltooid, wordt het product elektrisch worden getest. Zorg ervoor dat het product voldoet aan de kwaliteitseisenna voltooiing en vermijdt de overbrenging van producten met gebreken aan de klant
De connectors overeenkomen met Box header:.
Box Header Connector gewoonlijk samen met IDC persstraat of terminallijn als regel board verbinding. En kan ook samen met relatief Female hoofd Connector of als ondersteunend met een hobbel fool proof om een raad om aan boord verbinding. We TXGA hebben totaal productie specificatie en kan ook speciale Box Header Connector doen volgens de eisen van de klant
Function:. Na de box header gesoldeerd op de printplaat, sluit de IDC kabel van de overeenkomstige specificatie en vormen dan een stroomkring met de andere keten aan de ontwerper' voldoen; s eisen. Gewoonlijk wordt gebruikt om zendbesturingssignalen en zwakstroom
Application. Motorbehuizing wordt veel gebruikt in de geïntegreerde schakeling IC.It is een draad op prikbord connector.They te zien in veel elektrische machines.

naam: Haimei Liang
Functietitel: sales manager
afdeling: Sales Department
Bedrijfstelefoon: +86 0769 83450370
E-mail: Neem contact met ons op
Mobiele telefoon: +86 18929181819
Website: dgwin.invipb2b.com
Adres: No.67,Dongshen Road,Qiaotou Town,Dongguan City,China