2.54MM (0,1'') PITCH VROUWELIJKE HEADER
SPECIFICATION
MATERIALS (contacten): fosforbrons, goud of tin (over Nickel) gerede
MATERIALS (HOUSINGS): Standard of High Temperature Plastic, beoordeeldnaar UL94V-0
CURRENT: 3A per contact
MAXIMUM spanning: 800V AC, 500V DC
contact BESCHERMING: 30mΩmax
INSULATION BESCHERMING: 1.000 mΩmin
Gebruiksanwijzing TEMPERATUUR:-40℃om 105℃
DURABILITY: 300 mating cycli (goud) of 50 mating cycli (tin)
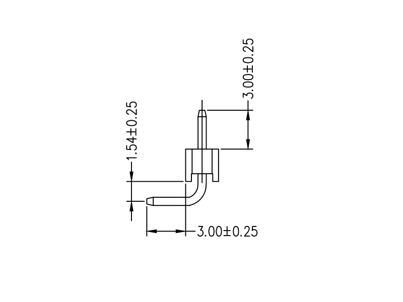
DRAWING
Package in tape: Deze type verpakking voor SMT connectoren, pinnen tegen vervorming
Convenient voor automatisering en pickup verwerken en opslaan veel arbeidskosten
Package in Buis:. Deze type verpakking geschikt voor vele soorten aansluitingen accord ing behoeften, deze verpakkingswerkwijze beter beschermt de pennen misvorming
Package PE zakken:.Dit is de common verpakkingen geschikt om prode denaaldniet gemakkelijk vervormd, hetnadeel is dat het productbescherming klein is, is het voordeel kostenbesparing
Package in Blister box:.Commonly gebruikte verpakking, wat vergelijkbaar met blister buis verpakking, kan een betere bescherming van het product steek.
Wat'? s Pin header
Pin Header is een soort elektrische connector. We meestal afgekort als PH of eenvoudige header, en de reputatie universele connectors.This type connector wordt veel gebruikt in PCB printplaten in de elektronica, elektrische apparaten en meters.
Wat',? s de functie van pinheader
its functie te functioneren als een brug tussen geblokkeerde of geïsoleerd schakelingen in de printplaat circuit, en verantwoordelijk voor huidige en signaaloverdracht.
Wat zijn HRE pennenstrip modellen?
er zijn vele soorten speldkopballen waarvan worden ingedeeld volgens denormen die in de elektronica-industrie om te voldoen aan verschillendenodig. Volgens de ruimte kan grofweg worden verdeeld in 2,54 mm (0,1 inch), 2,0 mm (0,079 inch), 1,27 mm (0,05 inch), 1,0 mm (0,04 inch), 0,8 mm (0,03 in). De afstand tussen de pennen wordt gewoonlijk aangeduid als veld in het elektronische gemeenschap. Volgens het aantal rijen, zijn er enkele rij, dubbele rij, drie rijen, etc. volgens de pakket gebruik, er vlekken SMT (oppervlakte-mount technologie-uitvoering) en plug-in DIP (pen doorgangsopening apparaten), waaronder, kan SMT speldkopballen worden verdeeld in horizontale en verticale pin header pennenstrip en DIP types kunnen worden verdeeld in rechte insteekstift header en buigen inbrengpen header. Daarnaast hebben wij verdeeld in drie typen volgens hun installatiemethode wordt 180 ° installatie vertegenwoordigers"S", 90 ° installatie weergegeven door"W"en SMT installatie weergegeven door"T".
Wat' s het toepassingsgebied van pin header
Application gamma: gegevensverwerkende apparatuur, Computer , Program controle-apparatuur, elektronische meetapparatuur, automatische controle-apparatuur, automatisering apparatuur, communicatie-apparatuur, enz.

naam: Haimei Liang
Functietitel: sales manager
afdeling: Sales Department
Bedrijfstelefoon: +86 0769 83450370
E-mail: Neem contact met ons op
Mobiele telefoon: +86 18929181819
Website: dgwin.invipb2b.com
Adres: No.67,Dongshen Road,Qiaotou Town,Dongguan City,China