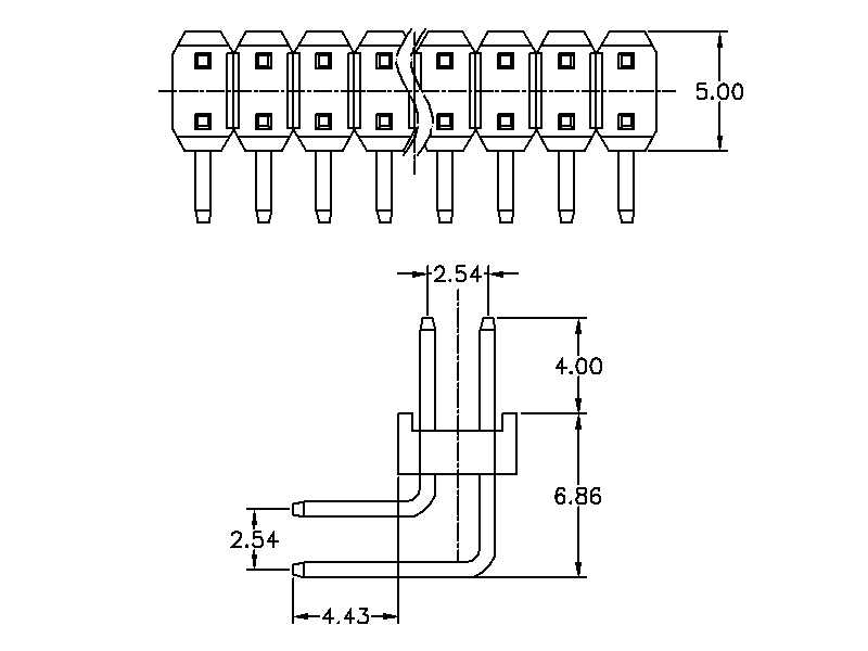
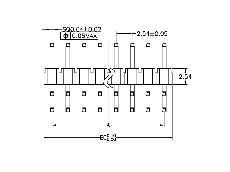
2.54mm (0,1'') pitch pin header
Specification
-materialen (contacten): koperlegering, goud of tin (overnikkel) afwerking+materialen (behuizingen): standaard of hoge temperatuur plastic, beoordeeldnaar ul94v0
(standaardard materiaal PBT30% gf rohs)
current: 3A per contact
maximale spanning: 800v AC, 500v DC
Contact resistentie: 30 mmaxmax
max-maxmax
maxNinsulatiebestendigheid: 1.000 m
öldtemperatuur:40℃℃℃
℃
℃
drawing
package in tape:dit type van pakket is voor SMT-connectoren, bescherm de pinnen van vervorming convenient voor automatische montage en pick-up verwerking en bespaar veel arbeidskosten.&# package in de buis:
Dit type pakket is geschikt voor vele soorten connectoren volgens behoeften, deze p Ackaging-methode beschermt de pinnen beter tegen vervorming.package in PE-zakken:
Dit is de meeste
c&ommon verpakking, geschikt voor producten waar#101; Denaald isniet gemakkelijk vervormd, hetnadeel is dat de productbescherming klein is, het voordeel is kostenbesparingen.
package in blisterverpakking:
conmonly gebruikt verpakkingen, een beetje Vergelijkbaar met de verpakking van de blisterbuis, kan de productsteek beter beschermen.What
What39; s pin header?&#
pin header is een soort elektrische connector. We zijn meestal afgekort, omdat pH of eenvoudige koptekst,and de reputatie van universele connectoren hebben. Dit type connector wordt veel gebruikt in PCB-printplaten in elektronica, elektrische apparaten en meters.
wat
What39; s De functie van pin header?
its-functie is om te functioneren als een brug tussen geblokkeerde of geïsoleerde circuits in het PCB-bordcircuit, en Verantwoordelijk voor stroom- of signaaloverdracht.-- """""What zijn hre pin header-modellen?"
Ther zijn vele soorten pin-headers die zijn geclassificeerd volgens denormen in de elektronica-industrie om aan verschillende behoeften te voldoen. Volgens de ruimte kan het ruwweg worden verdeeld in 2,54 mm (0,1 in), 2,0 mm (0,079 in), 1,27 mm (0,05 in), 1,0 mm (0,04 in), 0,8 mm (0,03 in). De afstand tussen pinnen wordt gewoonlijk aangeduid als pitch in de elektronische gemeenschap. Volgens het aantal rijen zijn er enkele rij, dubbele rij, drie rijen, enz. Volgens het gebruik van het pakket, zijn er patches SMT (Surface mount Technology-versie) en Plugin Dip (PINS via gat-apparaten),
Hiertoe kunnen SMT-pin-headers worden onderverdeeld in horizontale pin header en verticale pin header en dip-types kunnen worden onderverdeeld in rechte invoegspeldekracht en buiginvoer pin-header. Daarnaast verdeelden we het in drie typen volgens hun installatiemethode, 180 ° -installatie wordt vertegenwoordigd doorS, 90 ° -installatie wordt weergegeven doorW&, en SMT-installatie wordt weergegeven door#T.

naam: Haimei Liang
Functietitel: sales manager
afdeling: Sales Department
Bedrijfstelefoon: +86 0769 83450370
E-mail: Neem contact met ons op
Mobiele telefoon: +86 18929181819
Website: dgwin.invipb2b.com
Adres: No.67,Dongshen Road,Qiaotou Town,Dongguan City,China