2.54mm (0.1'') toonhoogte-pin header
specification
materialen (contacten): koperlegering, goud of tin (overnikkel) afwerking-
materialen (behuizingen): standaard of hoge temperatuur plastic, beoordeeldnaar ul94v0
current: 3A per contact
maximale spanning: 800v AC, 500v dc
Contact Weerstand: 30mΩ MAX
insulatiebestendigheid: 1.000 MQ MIN-
öldtemperatuur:40 ℃ tot 105 ℃
Durability: 300 paringscycli (goud) of 50 paringscycli (tin)
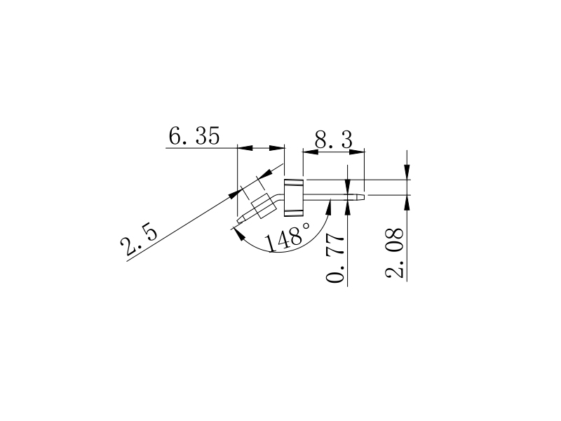
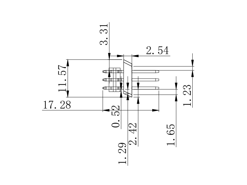
the Volgende tekeningen zijn ter referentie.
WE kan het ontwerp aanpassen dat unodig hebt. Neem contact met ons op als u aanpassingsconnectorennodig hebt.
n
package in tape:Dit type pakket is voor SMT-connectoren, bescherm de pinnen van vervorming convenient voor automatische montage en pick-up verwerking en bespaar veel arbeidskosten.&# package in buis:
dis type pakket Is geschikt voor vele soorten connectoren volgens behoeften, deze verpakkingsmethode beschermt de pinnen beter tegen vervorming.package in PE-zakken:
Dit is de meest
c

101; Denaald isniet gemakkelijk vervormd, hetnadeel is dat de productbescherming klein is, het voordeel is kostenbesparingen.
&package in blisterverpakking:#
conmonly gebruikt verpakkingen, een beetje vergelijkbaar met blister buis verpakking, kan een betere bescherming van het product steek.
naam: Haimei Liang
Functietitel: sales manager
afdeling: Sales Department
Bedrijfstelefoon: +86 0769 83450370
E-mail: Neem contact met ons op
Mobiele telefoon: +86 18929181819
Website: dgwin.invipb2b.com
Adres: No.67,Dongshen Road,Qiaotou Town,Dongguan City,China